Embout de frein KNOTT jusqu'à 1500 kg pour soudage sur frein 200 x 50 avec inversion automatique
perm. Charge par essieu simple essieu: 1500 kg
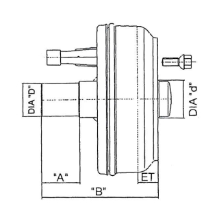
Frein de roue: 20-2425 / 1
Raccord de roue: 112 x 5
Dimensions en mm: D 49 x A 90 x B 180
Informations sur la sécurité des produits
Informations du fabricant:
KNOTT
Obinger Straße 15
Eggstätt, Deutschland, 83125
info@knott.de
https://www.knott.de/